New evidence found in northwestern Australia suggests that a massive asteroid, 20 to 30 kilometres in diameter, struck Earth about 3.5 billion years ago. This impact would have dwarfed anything experienced by humans, and dinosaurs, releasing as much energy as millions of nuclear weapons. Impacts this large can trigger earthquakes and tsunamis, and change the geological history of Earth.
The evidence was uncovered by Andrew Glikson and Arthur Hickman from the Australian National University. While drilling for the Geological Survey of Western Australia, the two obtained drilling cores from some of the oldest known sediments on Earth. Sandwiched between two layers of sediment were tiny glass beads called spherules, which were formed from vaporized material from the asteroid impact.
[caption id="attachment_128998" align="alignnone" width="580"]
Impact spherules formed from material vaporized by an asteroid impact. Image: A. Glikson/Australian National University[/caption]
The enormity of this impact cannot be overstated. "The impact would have triggered earthquakes orders of magnitude greater than terrestrial earthquakes, it would have caused huge tsunamis and would have made cliffs crumble," said Dr. Glikson, from the
ANU Planetary Institute
.
This asteroid impact is the second oldest one that we know of. It is also one of the largest found yet, and at 20 to 30 kilometers in diameter, it is 2 the 3 times the size of the famous
Chicxulub
asteroid that struck the Yucatan in Mexico. That impact is thought to be responsible for ending the age of dinosaurs on Earth.
[caption id="attachment_129001" align="alignnone" width="511"]
This image shows a very faint circular outline of the Chicxulub crater. After 65 million years, it is barely visible. All evidence of craters billions of years old would now be gone. Image: NASA/JPL[/caption]
The crater itself would have been hundreds of kilometers in diameter, though all traces of it are now gone. "Exactly where this asteroid struck the earth remains a mystery," Dr. Glikson said. "Any craters from this time on Earth's surface have been obliterated by volcanic activity and tectonic movements."
"Material from the impact would have spread worldwide. These spherules were found in sea floor sediments that date from 3.46 billion years ago," said Glikson.
At 3.46 billion years ago, this puts this impact event close to a period of time 4.1 to 3.8 billion years ago known as the
Late Heavy Bombardment
. This was a period of time when a disproportionate number of asteroids struck the Earth and the Moon, and probably Mercury, Venus, and Mars, too. The Late Heavy Bombardment was probably caused by the gas giants in our Solar System. As these planets migrated, their gravity caused enormous disruption, pulling objects in the
asteroid belt
and the
Kuiper Belt
into trajectories that sent them towards the inner Solar System.
[caption id="attachment_129003" align="alignnone" width="449"]
The Late Heavy Bombardment is thought to be a period of time when the Earth, and the rest of the bodies in the inner Solar System, were repeatedly struck by asteroids. Image: NASA/ESA[/caption]
The surfaces of Mercury and the Moon are covered in impact craters. Samples of rock from the lunar surface, brought back to Earth by the Apollo astronauts, have been subjected to isotopic dating. Their age is constrained to a fairly narrow band of time, corresponding to the Late Heavy Bombardment. Obviously, the Earth would have been subjected to the same thing. But on geologically active Earth, most traces of impact events have been erased. It's the sediment that hints at these events.
Australia is geologically ancient, and contains some of the most
ancient rocks
on Earth. Glikson and Hickman found the glass spherules in cores while drilling at Marble Bar in north-western Australia. Because the sediment layer containing the spherules was preserved between two volcanic layers, its age was determined with great precision.
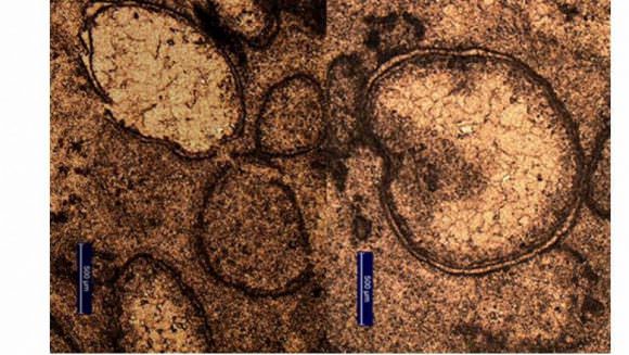
[caption id="attachment_129002" align="alignnone" width="580"]
The sediments at Marble Bar, north-western Australia, where the spherules were found. Image: A Glikson/Australian National University[/caption]
For over 20 years, Dr. Glikson has been searching for evidence of asteroid impacts. When these glass beads were found in the core samples, he suspected an asteroid impact. Testing confirmed that the levels of elements such as platinum, nickel and chromium, matched those in asteroids.
This is not the first evidence of impact events that Glikson has uncovered. In 2015, Glikson discovered evidence of another
massive asteroid strike
in the Warburton Basin in Central Australia. At that site, buried in the crust 30 kilometers deep, in rock that is 300 to 500 million years old, Glikson found evidence of a double impact crater covering an area 400 kilometers wide.
This crater was believed to be the result of an asteroid that broke into two before slamming into Earth. "The two asteroids must each have been over 10 kilometers (6.2 miles) across — it would have been curtains for many life species on the planet at the time," said Glikson.
"There may have been many more similar impacts, for which the evidence has not been found, said Dr. Glikson. "This is just the tip of the iceberg. We've only found evidence for 17 impacts older than 2.5 billion years, but there could have been hundreds."
Finding the sites of ancient impacts is not easy. Advances in satellite imaging helped locate and pinpoint the Chicxulub crater, and others. If there have been hundreds of enormous asteroid impacts, like Dr. Glikson suggests, then they would have had an equally enormous impact on Earth's evolution. But pinpointing these sites remains elusive.
Universe Today



